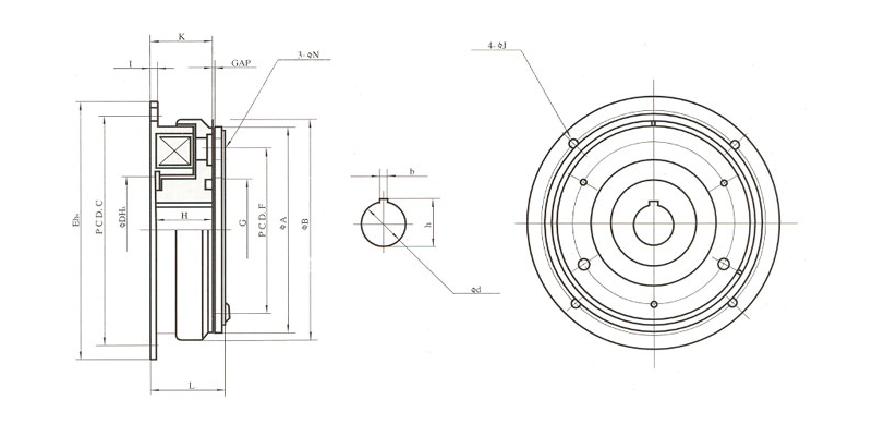
FC전자클러치

| 형 식 | GAP | 보스경 dH7 |
키홈 (bE9×h+0.1) |
A | B | C | D | E | F | G | H | I | J | K | L | M |
|---|---|---|---|---|---|---|---|---|---|---|---|---|---|---|---|---|
| FC-0.5 | 0.2 | 12 | 4×13.5 | 63 | 67.5 | 72 | 35 | 80 | 46 | 34 | 22 | 2 | 5 | 24 | 28 | 3.1 |
| FC-1.0 | 0.2 | 15 | 2×17 | 80 | 85 | 90 | 42 | 100 | 60 | 41 | 24 | 2 | 6 | 26.5 | 31 | 7.1 |
| FC-2.0 | 0.2 | 20 | 5×22 | 100 | 106 | 112 | 52 | 125 | 76 | 51 | 27 | 3 | 7 | 30 | 36 | 7.1 |
| FC-4.0 | 0.3 | 25 | 7×28 | 125 | 133 | 137 | 62 | 150 | 95 | 61 | 30 | 4 | 7 | 33.5 | 40.5 | 8.1 |
| FC-6.0 | 0.3 | 30 | 7×33 | 137 | 146 | 150 | 65 | 165 | 105 | 64 | 31 | 4 | 7 | 35.5 | 41 | 8.1 |
| FC-8.0 | 0.5 | 30 | 7×33 | 160 | 169 | 175 | 80 | 190 | 120 | 79 | 34 | 4 | 9.5 | 37.5 | 46.5 | 8.1 |
| FC-13 | 0.5 | 30 | 7×33 | 180 | 190 | 195 | 100 | 210 | 147 | 99 | 40 | 5 | 9.5 | 44 | 65 | 8.8 |
| FC-16 | 0.5 | 40 | 10×43.5 | 200 | 212.5 | 215 | 100 | 230 | 158 | 99 | 40 | 5 | 9.5 | 52.5 | 55.5 | 10.2 |
| FC-19 | 0.5 | 40 | 10×43.5 | 216 | 229 | 245 | 110 | 270 | 158 | 99 | 50 | 6 | 10.5 | 55 | 68.5 | 10.2 |
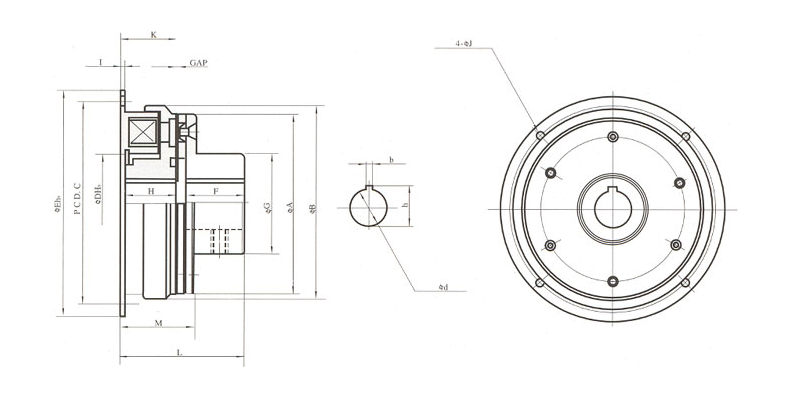
FCV전자클러치

| 형 식 | GAP | 보스경 dH7 |
키홈 (bE9×h+0.1) |
A | B | C | D | E | F | G | H | I | J | K | L | M | N | WXu |
|---|---|---|---|---|---|---|---|---|---|---|---|---|---|---|---|---|---|---|
| FCV-0.5 | 0.2 | 12 | 4×13.5 | 63 | 67.5 | 72 | 35 | 80 | 33 | 38 | 22 | 2 | 5 | 24 | 51.5 | 2 | 3-M4 | 4×39.5 |
| FCV-1.0 | 0.2 | 15 | 5×17 | 80 | 85 | 90 | 42 | 100 | 37 | 45 | 24 | 2 | 6 | 26.5 | 60 | 25 | 3-M4 | 5×47 |
| FCV-2.0 | 0.2 | 20 | 5×22 | 100 | 108 | 112 | 52 | 125 | 47 | 55 | 27 | 3 | 7 | 30 | 71 | 30 | 4-M4 | 5×57 |
| FCV-4.0 | 0.3 | 25 | 7×28 | 125 | 133 | 137 | 62 | 150 | 52 | 64 | 30 | 4 | 7 | 33.5 | 86.5 | 40 | 4-M4 | 7×67 |
| FCV-6.0 | 0.3 | 30 | 7×33 | 137 | 146 | 150 | 65 | 165 | 62 | 75 | 31 | 4 | 7 | 35.5 | 97 | 45 | 4-M5 | 7×78 |
| FCV-8.0 | 0.5 | 30 | 7×33 | 160 | 169 | 175 | 80 | 190 | 62 | 75 | 34 | 4 | 9.5 | 37.5 | 103.5 | 50 | 6-M5 | 7×78 |
| FCV-13 | 0.5 | 30 | 7×33 | 180 | 190 | 195 | 100 | 210 | 74 | 90 | 40 | 5 | 9.5 | 44 | 131 | 55 | 4-M6 | 10×93.5 |
| FCV-16 | 0.5 | 40 | 10×43.5 | 200 | 212.5 | 215 | 100 | 230 | 80 | 90 | 40 | 5 | 9.5 | 52.5 | 141.5 | 60 | 4-M6 | 10×93.5 |
| FCV-19 | 0.5 | 40 | 10×43.5 | 216 | 229 | 245 | 110 | 270 | 80 | 90 | 50 | 6 | 10.5 | 55 | 124.5 | 65 | 4-M6 | 10×93.5 |
FCS 전자클러치

| 형 식 | GAP | 보스경 dH7 |
키홈 (bE9×h+0.1) |
A | B | C | D | E | F | G | H | I | J | K | L | M |
|---|---|---|---|---|---|---|---|---|---|---|---|---|---|---|---|---|
| FCS-0.5 | 0.2 | 12 | 4×13.5 | 63 | 67.5 | 72 | 35 | 80 | 15 | 22 | 22 | 2 | 5 | 24 | 43 | 31.5 |
| FCS-1.0 | 0.2 | 15 | 5×17 | 80 | 86 | 90 | 42 | 100 | 20 | 24 | 24 | 2 | 6 | 26.5 | 51 | 35 |
| FCS-2.0 | 0.2 | 20 | 5×22 | 100 | 108 | 112 | 52 | 125 | 25 | 27 | 27 | 3 | 7 | 30 | 61 | 41 |
| FCS-4.0 | 0.3 | 25 | 7×28 | 133 | 133 | 137 | 62 | 150 | 30 | 30 | 30 | 4 | 7 | 33.5 | 70.5 | 46.5 |
| FCS-6.0 | 0.3 | 30 | 7×33 | 146 | 146 | 150 | 65 | 165 | 34 | 31 | 31 | 4 | 7 | 35.5 | 75.5 | 48.5 |
| FCS-8.0 | 0.5 | 30 | 7×33 | 169 | 169 | 175 | 80 | 190 | 38 | 75 | 34 | 4 | 9.5 | 37.5 | 84.5 | 53.5 |
| FCS-13 | 0.5 | 30 | 7×33 | 190 | 190 | 195 | 100 | 210 | 40 | 90 | 40 | 5 | 9.5 | 44 | 110 | 76 |
| FCS-16 | 0.5 | 40 | 10×43.5 | 212.5 | 212.5 | 215 | 100 | 230 | 45 | 90 | 40 | 5 | 9.5 | 52.5 | 100.5 | 64.5 |
| FCS-19 | 0.5 | 40 | 10×43.5 | 229 | 229 | 235 | 110 | 250 | 50 | 90 | 50 | 6 | 10.5 | 55 | 115.5 | 75.5 |